Beginn  Der Autor

Inhaltsverzeichnis:

1. Allgemeine Daten

Oberflaechliche Mykosen

2. Dermatophytosen
3. Dermatomykosen

Tiefe Oder Systemmykosen

4. Aspergillose
5. Blastomykose
6. Candidamykose
7. Chromoblastomykose
8. Sporotrichose
9. Histoplasmose (capsulati)
10. Histoplasmose (duboisii)
11. Kokzidioidomykose
12. Kryptokokkose
13. Phaeohyphomykose
14. Lobomykose
15. Mukormykose
16. Myzetome
17. Pneumozystose
18. Parakokzidioidomykose
19. Rhinosporidiose
20. Seltene Mykosen
21. Mykotische Pseudotumoren
22. Mykoseaehnliche Infektionen
23. Glossar

 Kontakt

21. Mykotische Pseudotumoren

21J. Candidom
(kavitaer)

Abbildung

Beschreibung

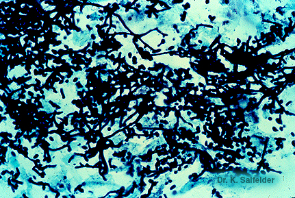
Abb. 21J,3

Vorige

Abb. 21J,3
Abb. 21J,3: Kavitaeres Candidom

Der fungus ball der Abb. 21 J, 1 und 21 J, 2 mit spezieller Pilzfaerbung. Grocottmethode



Laboratorio de Investigación en Patología
Facultad de Medicina
Universidad de Los Andes
Merida - Venezuela